ClickCease



خدمة التوصيل في نفس اليوم في حال الطلب قبل الساعه العاشرة مساء
سلة المشتريات
  • رمز السلعة: ST04567
  • SKU: 546756
  • ماركة:

أداة تثبيت ألواح الجبس من فيشر DuoBlade S PH K NV مع برغي رأسي

3.750 KWD العملات الأخرى
الوصف

أداة تثبيت ألواح الجبس من فيشر DuoBlade S PH K NV مع برغي رأسي

أهم الميزات

  • عزم دوران عالي عند تثبيت المرساة لضمان راحة البال وشعور مثالي عند التركيب
  • قفل مانع للدوران يمنع الدوران في فتحة الحفر
  • استخدام خطافات ومسامير وحلقات متوفرة تجاريًا
  • محرك PZ2 - نفس محرك السدادة والبرغي
  • سدادة جبس ذاتية الحفر لتركيب سريع وسهل
  • مع برغي مناسب

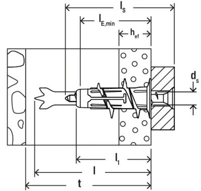
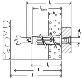
شفرة فيشر دوبليد هي جزء من مجموعة دولاين المبتكرة، وتتكون من مكونات مختلفة تضمن أفضل أداء ممكن. يتيح رأس الحفر الذاتي عملية حفر سلسة وفعالة. يُثبّت المثبّت في مكانه المحدد مسبقًا باستخدام أداة ضبط مفك البراغي (اللاسلكي) بحيث يكون مستويًا مع سطح لوح الجبس. شفرة فيشر دوبليد مُعدّة للاستخدام مع براغي الخشب والمعدن واللوح الخشبي بسمك يتراوح بين 4 و5 مم، بالإضافة إلى براغي الخطاف والعين المختلفة. وبالتالي، فهي مناسبة عالميًا لتثبيت أجهزة كشف الدخان، وقضبان الستائر، والستائر، بأمان وسرعة. تُثبّت شفرة دوبليد في لوح الجبس باستخدام محرك PZ 2 تقليدي. لا حاجة لأي أداة ضبط خاصة.

منتج المرتبطة

BACK TO TOP